TI SN74ACT165/SN74ACT165-Q1寄存器非常适合用于增加微控制器和电路板修订的输入端数量。
SN74ACT165-Q1器件符合AEC-Q100标准,适用于汽车应用。
特性
- 符合AEC-Q100汽车应用类标准:
- 器件温度等级1:-40°C至+125°C
- 器件HBM ESD分类等级2
- 器件CDM ESD分类等级C4B
- 采用可湿性侧翼QFN封装
- 4.5 V 到 5.5 V 的工作电压范围
- TTL兼容输入
- 连续±24mA输出驱动(5V时)
- 在5V电压下,支持±75mA的短时输出驱动能力
- 驱动50Q输电线路
- 在5V电压下,操作速度快,最大延迟为12.4ns
应用
- 增加微控制器的输入端数量
- 读板修改
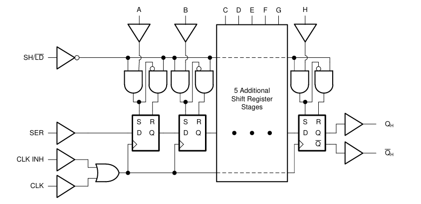
功能框图
发布日期: 2026-01-12
| 更新日期: 2026-01-20

