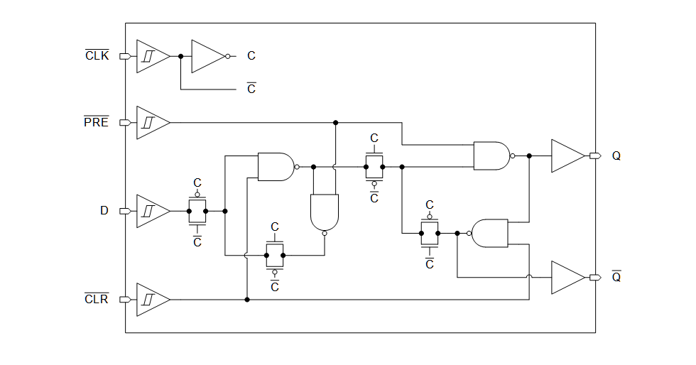
当PRE和CLR无效(高电平)时,满足设置时间要求的数据 (D) 输入端的数据在时钟 (CLK) 脉冲的下降沿传送到输出端 (Q, Q)。在遵守保持时间间隔的前提下,可以更改数据 (D) 输入端的数据,而不会影响输出端 (Q, Q) 的电平。SN74HCS72-Q1器件符合汽车应用类AEC-Q100认证。
特性
- 宽工作电压范围:2V至6V
- 施密特触发器输入允许缓慢或嘈杂的输入信号
- 输出驱动:±7.8mA (5V)
- 低功耗
- 典型ICC为100nA
- 典型输入漏电流:±100nA
应用
- 将瞬时开关转换为拨动开关
- 输入缓慢边沿速率信号
- 在嘈杂环境中运行
- 启用具有唤醒模式的CAN控制器电源
施密特触发输入的优点
框图
发布日期: 2019-11-25
| 更新日期: 2024-02-07

