Texas Instruments TPS53676降压多相控制器
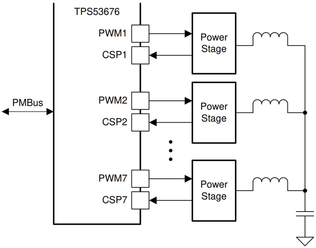
Texas Instruments TPS53676降压多相控制器是一款降压控制器,具有双通道和内置非易失性存储器 (NVM)。它还包括PMBus™兼容串行接口,与TI NexFET™智能功率级完全兼容。高级控制特性(例如D-CAP+架构)可提供快速瞬态响应、低输出电容良好的电流共享。该器件还提供新颖的相位交错策略和灵活的点火序列,可以提高热性能。还支持可调控制输出电压转换率和电压定位。该器件还支持PMBus通信接口,用于向系统主机报告遥测电压、电流、功率、温度和故障情况。所有可编程参数可以由串行接口配置,且可以存储在NVM中作为新的默认值,从而最大限度地减少外部元件数量。Texas Instruments TPS53676器件采用散热增强型48引脚QFN封装,额定工作温度范围为-40°C至125°C。特性
- 输入电压范围:4.5V至17V
- 输出电压范围:0.25V至5.5V
- 每相开关频率范围:300kHz至2000kHz
- 双输出,支持N+M相位配置(N+M≤7,M≤3)
- 符合AVSBus标准,符合PMBus 1.3.1第三部分要求
- PMBus™ v1.3.1系统界面,用于电压、电流、功率、温度和故障状态的配置、控制和遥测
- 通过VOUT_COMMAND实现自适应电压调节 (AVS)
- 增强型D-CAP+™控制,具有超瞬态性能和出色的动态电流共享
- 可编程环路补偿
- 灵活的相位触发顺序
- 用于通道的外部引脚搭接 启动电压设置
- 单独的相电流校准和报告
- 相位热平衡管理 (TBM)
- 完全支持动态切相 (DPS)
- 快速相位添加,用于下冲抑制 (USR)
- 体二极管制动,用于过冲抑制 (OSR)
- 无驱动器配置,实现高效的高频开关
- 完全兼容TI NexFET™功率级,用于高密度解决方案
- 精确、可编程、自适应电压定位 (AVP)
- 获得专利的AutoBalance™相位均衡
- 6mm × 6mm、48引脚、QFN封装
应用
- 数据中心网络交换机
- 校园网和分支交换机
- 核心和边缘路由器
- 硬件加速器卡
- 高性能CPU/ASIC/FPGA电源
简化应用
发布日期: 2021-02-16
| 更新日期: 2022-03-29
