TI TPS542A52同步降压转换器还具有其他重要功能,如用于提高轻载效率的脉冲频率调制 (PFM)、低关断静态电流消耗、通过EN引脚实现可调欠压闭锁 (UVLO) 以及进入预偏置条件的单调启动。
TPS542A52降压转换器采用VQFN 4.5mm × 4mm封装,无铅,完全符合RoHS指令。
特性
- 集成9.1mΩ和2.6mΩ MOSFET,支持高达15A输出电流
- 输出电压范围:0.5V至5.5V
- 固定频率电压控制模式,具有可选内部补偿
- 七种可选频率设置:400kHz至2.2MHz
- 与外部时钟同步
- 全差分遥感
- 六个可选过流限制、四个软启动转换率
- 单调启动至预偏置输出
- EN引脚,支持可调节的输入欠压锁定 (UVLO)
- 电源良好指示器
- 关断静态电流消耗:17µA(典型值)
- 可选FCCM或PFM,用于提高轻负载效率
- 工作结温范围:–40°C至+150°C
- 4mm × 4.5mm VQFN封装
- 使用TPS542A52并借助 WEBENCH® Power Designer 创建定制设计方案
应用
- 无线通信
- 模拟前端电源
- 测试与测量设备
- 医学成像
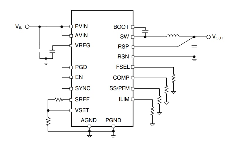
简化示意图
发布日期: 2020-12-22
| 更新日期: 2024-10-24

