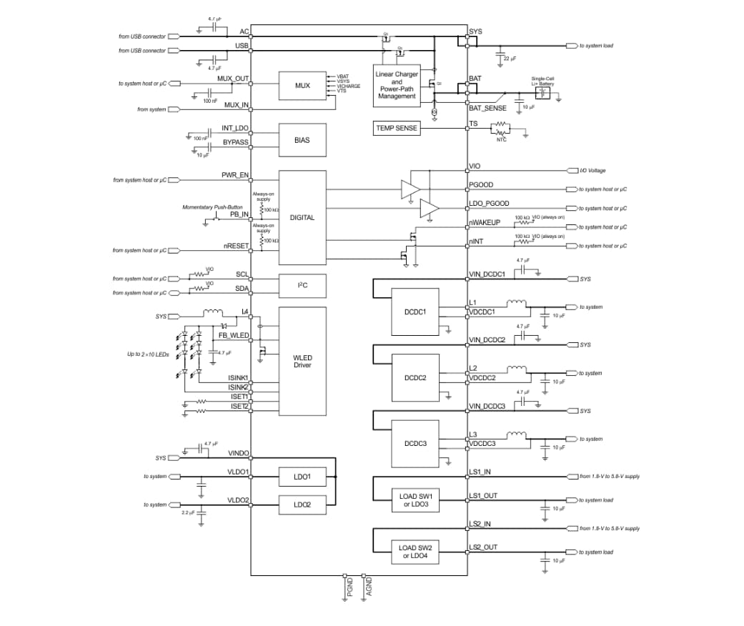
TPS652170的额定运行温度范围为-40°C至+105°C,非常适合工业应用。三个高效2.25MHz降压转换器可为系统提供内核电压、存储器和I/O电压。TPS652170器件采用具有0.4mm间距的48引脚无引线封装 (6mm × 6mm VQFN)。
特性
- 充电器和电源路径
- 电源路径上具有2A输出电流
- 线性充电器;700mA最大充电电流
- 可耐受20V电压的USB和交流输入
- 热调节、安全计时器
- 温度检测输入
- 降压转换器(DCDC1、DCDC2、DCDC3)
- 三个集成有开关FET的降压转换器
- 固定工作频率:2.25MHz
- 轻负载电流下的省电模式
- PWM模式下输出电压精度为±2%
- 100%占空比,可实现最低压降
- 每个转换器的典型静态电流为15µA
- 禁用时支持无源对地放电
- LDO稳压器(LDO1、LDO2)
- 两个可调LDO
- LDO2可配置为跟踪DCDC3
- 典型静态电流:15µA
- 负载开关(LDO3、LDO4)
- 两个独立的负载开关,可配置为LDO
- WLED驱动器
- 内部生成的PWM可支持调光控制
- 38V开路LED保护
- 支持两个LED灯串(每串多达10个LED,每个LED的电流为25mA)
- 内部低侧电流阱
- 保护
- 欠压闭锁和电池故障比较器
- 常开式按钮监控器
- 硬件复位引脚
- 受密码保护的I2C寄存器
- 接口
- I2C接口(地址0x24)
- 受密码保护的I2C寄存器
应用
- Sitara™ AM335x处理器电源
- 便携式导航系统
- 平板电脑
- 5V工业设备
框图
简化应用图
发布日期: 2019-10-14
| 更新日期: 2023-12-11

