TI TRF-LSC-AFE7950EVM评估模块包含 LMK04828 时钟发生器,为模拟前端(AFE)和采集卡(现场可编码门阵列,FPGA)提供参考时钟和SYSREF。评估模块 (evm) 采用5.5V单电源输入,包含完整的电源管理电路。外部时钟选项包括支持为参考时钟供电(用于片上PLL)。
特性
- 采用5.5 V单电源供电
- 包括板载时钟生成
- 射频前端,配有>8GHz S2D和D2S放大器
应用
- 直接驱动RF采样或GSPS ADC
- 适合用于支持高达X频段的航空航天和国防应用
- 高线性度,支持下一代5G系统
- 低噪声系数,实现更好的信号完整性
- 采用小型占位面积,不使用无源RF平衡-不平衡变压器,从而减小系统尺寸
- 相控阵列雷达
- 低功耗、断电模式,具有数字PD控制功能,优化系统设计
- 军用无线电
- 高速数字转换器
- 4G/5G无线BTS
- 射频有源平衡-不平衡变压器
- 测试与测量
套件内容
- TRF-LSC-AFE7950EVM 的产品评估板
- Usb类型迷你B型线缆
- 电源线
布局
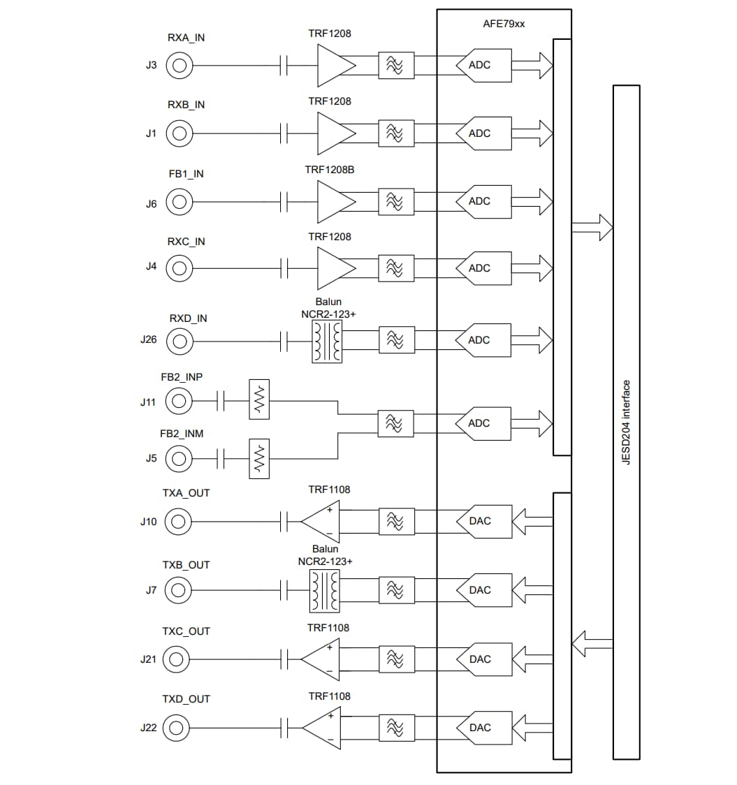
方框图
发布日期: 2025-09-14
| 更新日期: 2025-09-21

