Texas Instruments DK-LM3S-DRV8312 Motor Control Kit for Stellaris® MCUs
Texas Instruments DK-LM3S-DRV8312 Motor Control Kit for Stellaris® MCUs

查看产品清单

其他资源

德州仪器 DK-LM3S-DRV8312 电机控制套件
用于 Stellaris® MCU

德州仪器 DK-LM3S-DRV8312 用于 Stellaris® 微控制器的电机控制套件是运行三相交直流无刷电机的开发平台。德州仪器 DK-LM3S-DRV8312 电机控制套件配有高性价比的控制板模块,它基于 Stellaris LM3S818 MCU ,能与其他 TI 电机控制平台兼容。除了可立即驱动电机之外,德州仪器 DK-LM3S-DRV8312 电机控制套件还显示了 InstaSPN BLDC 电机控制解决方案的运行优点:简化调节、即时加速适应、可靠的低速运行等。内含的 Crosshairs 解决方案可让用户通过一个易于使用的电脑应用程序(可扩展至终端应用程序)来控制和监测整个解决方案。


套件内含
  • MDL-LM3S818CNCD 控制卡模块
    • Stellaris 50-MHz ARM® Cortex®-M3 LM3S818 微控制器,配有板载 Stellaris 内部电路调试接口(ICDI)
    • 可插拔 100 引脚 DIMM 形状因子
    • 调试连接后自动隔离
  • DRV8312 基板(德州仪器集成 3P 电机驱动板,支持高达 52.5V 和 6.5A)
  • NEMA17 BLDC/PMSM 55W 电机
  • 24V 2.5A DC 电源适配器,110-240V AC 输入,美国电源线
  • USB-mini B 转 USB-A 插接线(用于调试和串口通信)
  • 套件 CD:
    • 完整文档
    • LM 闪存编程器工具,用于固件升级
    • Crosshairs GUI
    • 适用源代码
    • 原理图
  • TI Code Composer Studio™ 集成开发环境 (IDE)

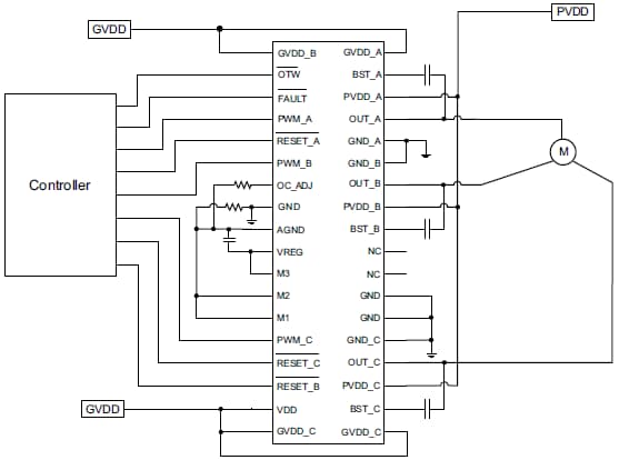
DRV8312 应用简图

DRV8312 Application Diagram

LM3S818 方框图

LM3S818 Block Diagram
  • Texas Instruments
  • Industrial
  • Development Tools
发布日期: 2017-05-26 | 更新日期: 2017-05-26