Toshiba TLP5795H红外LED和光电IC光耦合器
Toshiba TLP5795H红外LED和光电IC光耦合器是高性能光耦合器,设计用于在工业和电力电子应用中实现稳健高效的信号隔离。Toshiba TLP5795H采用紧凑型SO6L封装,具有100kV/μs(最小值)的高共模瞬态抗扰度(CMTI),可在15V至30V宽电源电压范围内工作,非常适合用于恶劣的电气环境。这些器件集成了高速光电探测器和放大器,能够实现快速切换,典型传播延迟为150ns。TLP5795H的隔离电压高达5000VRMS,符合UL1577和EN60747-5-5等安全标准,因此特别适用于IGBT和MOSFET电路中的栅极驱动、逆变器控制以及电机驱动器和电源中的信号传输。Toshiba TLP5795H光耦合器具有低功耗和高可靠性,因此非常适合用于需要强大电气隔离的现代空间受限设计。特性
- 缓冲器逻辑类型(图腾柱输出)
- 典型输出峰值电流:-4.5A/+5.3A
- 最大电源电流:3.0mA
- 电源电压范围:15 V至30 V
- 最大输入阈值电流:4mA
- 150 ns 最大传播延迟时间
- 最小共模瞬态抗扰度:±35kV/µs
- 最小隔离电压:5000VRMS
- 工作温度范围:-40 °C至+125 °C
- 安全标准
- 通过UL 1577认证,文件编号:E67349
- 通过cUL认证:CSA元件认可服务5A号,档案编号E67349
- 通过VDE认证,符合EN IEC 60747-5-5、EN IEC 62368-1
- 通过GB4943.1泰国工厂CQC认证
应用
- 工业逆变器
- MOSFET栅极驱动器
- IGBT栅极驱动器
- 光伏 (PV) 功率调节系统
- 空调逆变器
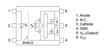
引脚分配
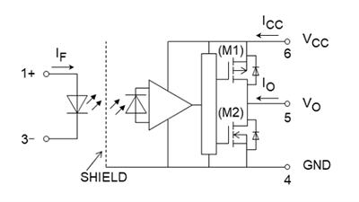
内部电路
注:必须在引脚6和引脚4之间连接一个1µF旁路电容器。
不建议在输出级MOSFET的本体二极管上施加电流。
发布日期: 2025-05-29
| 更新日期: 2025-06-09
