TRACO Power TSR 2N/3N非隔离式DC/DC转换器 (POL)
TRACO Power TSR 2N/3N非隔离式DC/DC转换器 (POL) 是采用紧凑型SIP-3塑料封装的2A和3A降压开关稳压器。TRS 2N和3N属于TSR系列,与前代产品相比,其设计和构造更具成本效益。这些转换器具有4.6VDC至36VDC的宽输入工作电压范围、高达95%的效率以及1.2VDC至15VDC的输出电压范围。TSR 2N/3N转换器的保护功能包括短路保护、电流限制和欠压锁定。高效设计允许在高达+95°C的环境温度(标称VIN)下满载运行,并且无需任何散热器或强制冷却。这些POL转换器适用于多种应用,包括电池、仪器仪表和分布式电源需求。特性
- 极具成本效益的设计
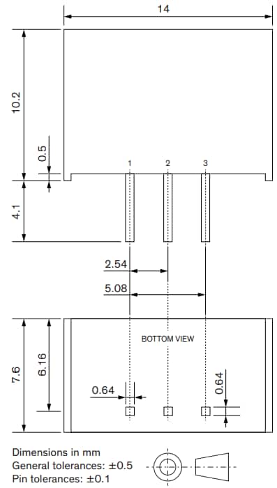
- 14mm x 7.6mm x 10.2mm紧凑型SIP-3封装
- 引脚兼容TO-220封装的线性稳压器
- 出色的热性能
- 工作温度范围:-40°C至95°C
- 效率高达95%
- 4.6VDC至36VDC宽输入工作电压范围
- 短路保护、电流限制和欠压锁定
- 出色的线路/负载调节
- 3年产品质保
应用
- 电池
- 仪器仪表
- 分布式电源需求
数据手册
尺寸图
View Results ( 18 ) Page
| 物料编号 | 数据表 | 输入电压(标称值) | 输入电压 - 最小值 | 输入电压 - 最大值 | 输出电压—通道1 | 输出电流—通道1 | 输入电压 |
|---|---|---|---|---|---|---|---|
| TSR 2-2450N | ![]() |
12 V | 6.5 V | 36 V | 5 V | 2 A | 6.5 V to 36 V |
| TSR 2-24120N | ![]() |
24 V | 15 V | 36 V | 12 V | 2 A | 15 V to 36 V |
| TSR 2-2433N | ![]() |
12 V | 4.6 V | 36 V | 3.3 V | 2 A | 4.6 V to 36 V |
| TSR 3-24120N | ![]() |
24 V | 15 V | 36 V | 12 V | 3 A | 15 V to 36 V |
| TSR 3-2450N | ![]() |
12 V | 6.5 V | 36 V | 5 V | 3 A | 6.5 V to 36 V |
| TSR 2-2412N | ![]() |
12 V | 4.6 V | 28 V | 1.2 V | 2 A | 4.6 V to 28 V |
| TSR 2-24150N | ![]() |
24 V | 18 V | 36 V | 15 V | 2 A | 18 V to 36 V |
| TSR 2-2415N | ![]() |
12 V | 4.6 V | 32 V | 1.5 V | 2 A | 4.6 V to 32 V |
| TSR 2-2418N | ![]() |
12 V | 4.6 V | 36 V | 1.8 V | 2 A | 4.6 V to 36 V |
| TSR 2-2425N | ![]() |
12 V | 4.6 V | 36 V | 2.5 V | 2 A | 4.6 V to 36 V |
发布日期: 2025-01-14
| 更新日期: 2025-02-18

