Vishay Semiconductors VOx619A光电晶体管输出光耦合器
Vishay半导体VOx619A光电晶体管输出光耦合器专为工业和消费电子应用中的高性能信号隔离而设计。这些器件在很宽的输入电流范围内具有大电流传输比率(CTR),即使在低输入电流下也能确保可靠的信号传输。Vishay Semiconductors VOx619A-3X0xT采用紧凑的DIP和SMD封装,具有高达5000VRMS的优异绝缘电压等级,并符合UL、VDE和CQC等安全标准。VOx619A系列针对低输入电流操作进行了优化,使其成为节能设计的理想选择。这些光耦合器构造坚固,工作温度范围宽,非常适用于电源反馈回路、微处理器输入接口以及在噪声环境中的信号隔离。特性
- 正向电流低,但电流传输比高
- 高80V集电极发射极电压
- 高3750VRMS或5000VRMS隔离电压
- 增强了CTR在温度和正向电流下的线性度
- 工作温度:高达+125 °C
- 无铅、无卤、绿色器件
- 符合 RoHS 要求
应用
- 直流/直流转换器
- 可编程控制器
- 电源
- 具有电隔离和噪声隔离的信号传输
规范
- 输入
- 最大反向电压:5V或6V
- 最大正向电压:1.6 V
- 最大功率耗散:50mW
- 30 mA 最大正向电流
- 工作正向电流范围:0.5mA至10mA
- 最大浪涌正向电流:1.0A
- 最大反向电流:5µA或10µA
- 最高结温:+135 °C
- 的可调节输出
- 最大集电极-发射极电压:80 V
- 最小集电极-发射极击穿电压:80V
- 最大发射极-集电极电压:7V
- 最小发射极-集电极击穿电压:7V
- 最大集电极电流:30 mA
- 最大集电极-发射极漏电流:200nA
- 最大耗散功率:200mW
- 最高结温:+135 °C
- 耦合器
- 最大集电极-发射极饱和电压:0.3V
- 最大总耗散功率:200mW
- 最大环境温度范围:-55°C至+125°C
- 最高焊接温度:+260°C
- 交换
- 最大上升时间:18µs(典型值为6µs)
- 最大下降时间:18µs(典型值为8µs)
- 根据IEC 68第1部分的规定,气候分类为55/125/21
- 根据DIN VDE 0109标准,污染度为2
- 相对跟踪指数 (CTI):175
- 输出安全功率选项:150mW或400mW
- 输入安全电流选项:130mA或250mA
- 输入安全温度:+150°C
- 爬电/间隙距离范围:≥5mm至≥8mm
- 绝缘厚度:≥0.4mm
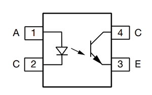
原理图
信息图
发布日期: 2025-08-27
| 更新日期: 2026-02-03
