ROHM Semiconductor SCT4062KWAHR AEC-Q101 N沟道SiC功率MOSFET
ROHM Semiconductor SCT4062KWAHR AEC-Q101 N沟道碳化矽 (SiC) 功率MOSFET是一款高性能汽车等级设备,适用于苛刻的汽车环境。 ROHM SCT4062KWAHR的漏源电压额定值高达1200V,漏极连续电流为24A(+25°C 时),因此该MOSFET非常适合用于高压、高效的电源转换系统。SCT4062KWAHR的典型导通电阻为62mΩ,可最大限度地减少传导损耗并支持快速开关,从而有助于减少功率损耗并提高热性能。该设备采用TO-263-7LA格式封装,具有出色的热耗散,易于集成到紧凑型电源模块中。SCT4062KWAHR非常适合用于电动汽车 (EV) 应用,如牵引逆变器、车载充电器和DC-DC 转换器,在这些应用中,可靠性、效率和热稳定性至关重要。特性
- 符合 AEC-Q101
- 低导通电阻
- 开关速度快
- 快速反向恢复
- 易于并联
- 易于驱动
- TO-263-7LA 封装
- 宽爬电距离:4.7mm(最小)
- 引线无铅镀层
- 符合RoH标准
应用
- 汽车
- 开关模式电源
规范
- 最大漏源电压:1200V
- 最大连续漏/源电流
- 24 A(+25 °C 时)
- 17 A(+100 °C 时)
- 最大零栅极电压漏极电流:80μA
- 最大脉冲漏极电流:52A
- 体二极管
- 最大正向电流
- 24 A(脉冲)
- 浪涌:52A
- 典型正向电压:3.3V
- 反向恢复时间:8.1 ns(典型值)
- 反向恢复电荷:105nC
- 典型峰值反向恢复电流:26A
- 最大正向电流
- 最大DC栅极-源极电压范围:-4V至21V
- 最大栅极-源极浪涌电压范围:-4V至23V
- 最大推荐栅极-源极驱动电压
- 最大导通范围:15V至18V
- 0V关断
- 栅极-源极漏电流:±100nA
- 栅极阈值电压范围:2.8V至4.8V
- 静态漏源导通电阻
- 81 mΩ 下为 +25 °C
- 62 mΩ 典型值
- 典型栅极输入电阻:4Ω
- 结到外壳热阻:1.6K/W
- 典型跨导:6.5S
- 典型电容
- 1498 pF输入
- 45 pF输出
- 反向传输:3 pF
- 有效输出:54pF(能量相关)
- 典型栅极
- 总计64nC
- 源电荷:14nC
- 漏极电荷:17nC
- 典型时间
- 导通延迟:4.4 ns
- 上升:11 ns
- 关断延迟:22 ns
- 下降:10 ns
- 典型开关损耗
- 导通:132μJ
- 关断:6μJ
- 最大虚拟结温:+175°C
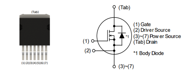
内部电路
发布日期: 2025-06-13
| 更新日期: 2025-06-19
